В Ульяновске на неделю перекроют улицу Ефремова

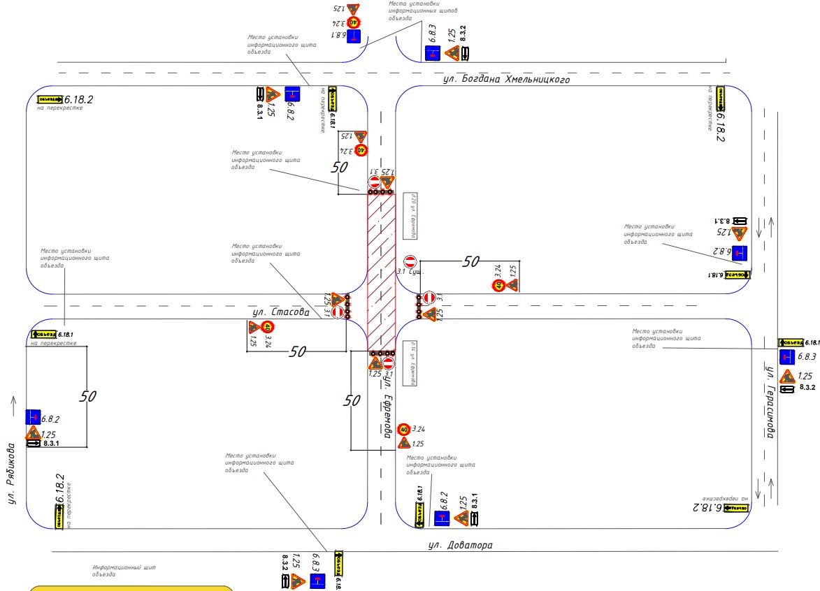
По информации управления ЖКХ, с 7:00 21 июля до 24:00 27 июля будет закрыто движение транспортных средств по участку улицы Ефремова от дома №20 до улицы Стасова.

По информации управления ЖКХ, с 7:00 21 июля до 24:00 27 июля будет закрыто движение транспортных средств по участку улицы Ефремова от дома №20 до улицы Стасова.

Это необходимо для проведения ульяновским филиалом ПАО «Т Плюс» земляных работ по техническому перевооружению тепломагистрали в рамках подготовки к следующему отопительному сезону.

Последние новости

ТОП-5 признаков, что вашему сервоприводу срочно нужен ремонт

Как понять, что время чинить, пока не стало слишком поздно

Ульяновцы активно участвуют в городских субботниках

Весенняя уборка проходит во всех районах города. В благоустройстве общественных пространств, улиц, дворовых территорий приняли участие сотрудники предприятий, управляющих компаний, организаций,

На Академика Филатова, 12А отстояли зеленую зону.

Благодаря активной позиции местных жителей и содействию депутата по округу Дмитрия Кочкарева, здесь не будет точки быстрого питания около ТЦ «Стройград».

Когда скидки превращаются в ловушку: как маркетологи учат нас тратить

Почему “-50% только сегодня” не всегда значит выгоду, как скидки играют на эмоциях и почему даже рациональные люди становятся жертвами маркетинговых трюков.

Здесь вы найдете свежие и актуальные новости в Сарове, охватывающие все важные события в городе

Комментарии (0)

Добавить комментарий

Ваш email не публикуется. Обязательные поля отмечены *